稳定可靠的电驱动专家
分享到:

凤凰动力PV250DS系列立式舵轮

工作能力范围:
车轮直径 254mm
垂直负载 4500kg
驱动轮功率 1000W-3000W
驱动轮扭矩 MAX=800N.m
驱动轮速度 0-12km/h
行走速比 18/21.3
转向电机功率 200W/400W
可配置电机类型 交流异步/直流有刷/伺服电机
A1伺服48V1570W
A1交流16V2000W
A1交流33V2000W
A1交流33V3000W
A2伺服48V2600W
A2减震交流33V2000W
A2减震伺服48V1570W
A2减震交流16V1500W
A2减震交流16V2500W

凤凰动力250

其他品牌230

立式舵轮PV250DS系列,是凤凰动力推出的一款高性能产品,适用于AGV、电动堆高车/堆垛车、电动托盘车、电动平衡重叉车、电动前移式叉车、电动窄巷道叉车、电动牵引车等装载3000kg以内的各种车型,对比市场上同款230产品,具有功率更大、扭矩更强 、速度更快 、承载更高、越障和爬坡能力更强、回转半径更小的优点,且更具成本优势。

功率更大

扭矩更强

速度更快

负载更高

越障能力更优秀

爬坡更轻松

回转半径更小

更具成本优势

A1标准伺服款配置   型号:PV250DS-A1-020-01

驱动单元
行走电机

inagv伺服电机 PVMN13016M3G4-L25-S30-1Z

48V1570W5N.m3000rpm

行走电机IP等级IP64
行走电机自出线长动力2m/制动2m/编码器2m(可配置任意线长)
行走电机动力延长线-
行走电机制动器内置24VDC12N.m14.4W
行走电机制动器延长线-
行走电机编码器内置增量式2500ppr
行走电机编码器延长线-
包胶轮聚氨酯254*75mm
驱动轮额定速度112.33m/min
驱动轮速比i=21.3
转向单元
转向电机

inagv伺服电机 PVML06004H3H3-M17

48V400W1.27N.m3000rpm

转向电机IP等级IP65/轴端IP54
转向电机自出线长动力0.5m/编码器0.5m
转向电机动力延长线PL-MOT-400-*
转向电机编码器内置多圈绝对值17bit
转向电机编码器延长线PL-ENC-*
最大转向速度90°/sec
转向减速机速比i=25
转向机构速比i=8
电子限位-
机械限位-
零位开关
驱动器
行走电机驱动器inagv伺服驱动器 PLD2L-CAN7040B
行走电机驱动器通讯线PL-COM-1.0
转向电机驱动器inagv伺服驱动器 PLD2L-CAN7010B
转向电机驱动器通讯线PL-COM-1.0
驱动器调试线PL-PC-1.0
其他
产品减震机构-
产品耐温范围耐低温-20℃
产品防爆-
安全编码器-
工作制S2
单舵轮额定垂直负载1500kg
单舵轮最大牵引重量2500kg
双舵轮最大牵引重量4000kg
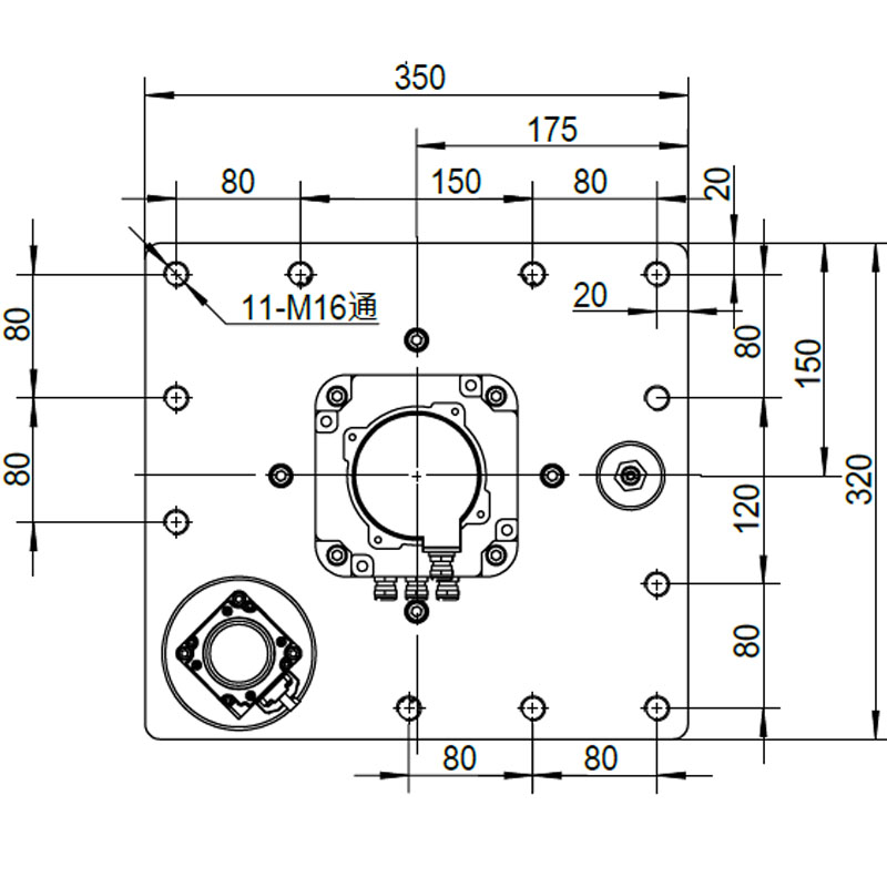
舵轮安装尺寸如图

A1标准伺服款总成图

          

凤凰动力250

其他品牌230

立式舵轮PV250DS系列,是凤凰动力推出的一款高性能产品,适用于AGV、电动堆高车/堆垛车、电动托盘车、电动平衡重叉车、电动前移式叉车、电动窄巷道叉车、电动牵引车等装载3000kg以内的各种车型,对比市场上同款230产品,具有功率更大、扭矩更强 、速度更快 、承载更高、越障和爬坡能力更强、回转半径更小的优点,且更具成本优势。

功率更大

扭矩更强

速度更快

负载更高

越障能力更优秀

爬坡更轻松

回转半径更小

更具成本优势

A1标准交流款配置   型号:PV250DS-A1-009-01

驱动单元
行走电机

inagv交流电机 PCDM15025M1H8-L48-S20

16V2000W7.5N.m2500rpm

行走电机IP等级IP42
行走电机自出线长-
行走电机动力延长线PM-MOT-2000-*
行走电机制动器外置24VDC16N.m30W-20
行走电机制动器延长线PZ-BRA-*
行走电机编码器内置增量式48ppr
行走电机编码器延长线PM-EMC-*
包胶轮聚氨酯254*75mm
驱动轮额定速度93.61m/min
驱动轮速比i=21.3
转向单元
转向电机

inagv减速电机 PYM0B-24X1H0470-V1T

24V400W1.19N.m3200rpm

转向电机IP等级IP20
转向电机自出线长动力1.15m/编码器1.15m
转向电机动力延长线PM-MOT-400-*
转向电机编码器外置增量式256ppr
转向电机编码器延长线PM-EMC-*
最大转向速度100.42°/sec
转向减速机速比i=23.9
转向机构速比i=8
电子限位-
机械限位-
零位开关
驱动器
行走电机驱动器inagv低压交流伺服驱动器 PID1F-CR72120B
行走电机驱动器通讯线-
转向电机驱动器inagv伺服驱动器 PAD2F-CR7230B
转向电机驱动器通讯线-
驱动器调试线-
其他
产品减震机构-
产品耐温范围耐低温-20℃
产品防爆-
安全编码器-
工作制S2
单舵轮额定垂直负载1500kg
单舵轮最大牵引重量4000kg
双舵轮最大牵引重量6400kg
舵轮安装尺寸如图

A1标准交流款总成图

          

凤凰动力250

其他品牌230

立式舵轮PV250DS系列,是凤凰动力推出的一款高性能产品,适用于AGV、电动堆高车/堆垛车、电动托盘车、电动平衡重叉车、电动前移式叉车、电动窄巷道叉车、电动牵引车等装载3000kg以内的各种车型,对比市场上同款230产品,具有功率更大、扭矩更强 、速度更快 、承载更高、越障和爬坡能力更强、回转半径更小的优点,且更具成本优势。

功率更大

扭矩更强

速度更快

负载更高

越障能力更优秀

爬坡更轻松

回转半径更小

更具成本优势

A1标准交流款配置   型号:PV250DS-A1-003-02

驱动单元
行走电机

inagv交流电机 PCDM15020M12H8-L64-S28

33V2000W4.24N.m4500rpm

行走电机IP等级IP44
行走电机自出线长-
行走电机动力延长线PM-MOT-2000-*
行走电机制动器外置48VDC16N.m30W-20
行走电机制动器延长线PM-BRA-*
行走电机编码器内置增量式64ppr
行走电机编码器延长线PM-ENC-*
包胶轮聚氨酯254*75mm
驱动轮额定速度168.50m/min
驱动轮速比i=21.3
转向单元
转向电机

inagv减速电机 PYM0B-24X3H0470-V1T

48V400W1.19N.m3000rpm

转向电机IP等级IP20
转向电机自出线长动力1.15m/编码器1.15m
转向电机动力延长线PM-MOT-400-*
转向电机编码器外置增量式256ppr
转向电机编码器延长线PM-ENC-*
最大转向速度100.42°/sec
转向减速机速比i=23.9
转向机构速比i=8
电子限位-
机械限位-
零位开关
驱动器
行走电机驱动器inagv伺服驱动器 PID2F-CR7230B
行走电机驱动器通讯线-
转向电机驱动器inagv伺服驱动器 PAD2F-CR7210B
转向电机驱动器通讯线-
驱动器调试线-
其他
产品减震机构-
产品耐温范围耐低温-20℃
产品防爆-
安全编码器-
工作制S2
单舵轮额定垂直负载1500kg
单舵轮最大牵引重量3500kg
双舵轮最大牵引重量5600kg
舵轮安装尺寸如图

A1标准交流款总成图

          

凤凰动力250

其他品牌230

立式舵轮PV250DS系列,是凤凰动力推出的一款高性能产品,适用于AGV、电动堆高车/堆垛车、电动托盘车、电动平衡重叉车、电动前移式叉车、电动窄巷道叉车、电动牵引车等装载3000kg以内的各种车型,对比市场上同款230产品,具有功率更大、扭矩更强 、速度更快 、承载更高、越障和爬坡能力更强、回转半径更小的优点,且更具成本优势。

功率更大

扭矩更强

速度更快

负载更高

越障能力更优秀

爬坡更轻松

回转半径更小

更具成本优势

A1标准交流款配置   型号:PV250DS-A1-022-01

驱动单元
行走电机

inagv交流电机 PCDM15030M12H6-L64-S35

33V3000W8.1N.m3522rpm

行走电机IP等级IP42
行走电机自出线长编码器0.4m/温控线0.35m
行走电机动力延长线PM-MOT-3000-*
行走电机制动器外置48VDC16N.m30w-20
行走电机制动器延长线PM-BRA-*
行走电机编码器内置增量式64ppr
行走电机编码器延长线PM-ENC-*
包胶轮聚氨酯254*75mm
驱动轮额定速度
驱动轮速比i=21.3
转向单元
转向电机

inagv减速电机 PYX0C-40X12H0890-V1R

33V750W2.8N.m2590rpm

转向电机IP等级IP20
转向电机自出线长编码器0.35m/温控线0.45m
转向电机动力延长线PX-MOT-750-*
转向电机编码器内置增量式32ppr
转向电机编码器延长线PX-ENC-*
最大转向速度48.56°/sec
转向减速机速比i=40
转向机构速比i=8
电子限位-
机械限位-
零位开关
驱动器
行走电机驱动器inagv伺服驱动器 -
行走电机驱动器通讯线PL-COM-1.0
转向电机驱动器inagv伺服驱动器 -
转向电机驱动器通讯线PL-COM-1.0
驱动器调试线PL-PC-1.0
其他
产品减震机构-
产品耐温范围耐低温-20℃
产品防爆-
安全编码器-
工作制S2
单舵轮额定垂直负载1500kg
单舵轮最大牵引重量4000kg
双舵轮最大牵引重量6400kg
舵轮安装尺寸如图

A1标准交流款总成图

          

凤凰动力250

其他品牌230

立式舵轮PV250DS系列,是凤凰动力推出的一款高性能产品,适用于AGV、电动堆高车/堆垛车、电动托盘车、电动平衡重叉车、电动前移式叉车、电动窄巷道叉车、电动牵引车等装载3000kg以内的各种车型,对比市场上同款230产品,具有功率更大、扭矩更强 、速度更快 、承载更高、越障和爬坡能力更强、回转半径更小的优点,且更具成本优势。

功率更大

扭矩更强

速度更快

负载更高

越障能力更优秀

爬坡更轻松

回转半径更小

更具成本优势

A2标准伺服款配置   型号:PV250DS-A2-012-00

驱动单元
行走电机

inagv伺服电机 PVMN15226M3G4-L25

48V2600W8.4N.m3000rpm

行走电机IP等级IP64
行走电机自出线长动力2m/制动2m/编码器2m(可配置任意线长)
行走电机动力延长线PN-MOT-2600-*
行走电机制动器内置24VDC12N.m14.4W
行走电机制动器延长线-
行走电机编码器内置增量式2500ppr
行走电机编码器延长线PN-ENC-*
包胶轮聚氨酯254*75mm
驱动轮额定速度112.33m/min
驱动轮速比i=21.3
转向单元
转向电机

inagv伺服电机 PVML06002H3H3-M17

48V200W0.64N.m3000rpm

转向电机IP等级IP65
转向电机自出线长动力0.5m/编码器0.5m
转向电机动力延长线PL-MOT-200-*
转向电机编码器内置多圈绝对值17bit
转向电机编码器延长线PL-ENC-*
最大转向速度90°/sec
转向减速机速比i=25
转向机构速比i=8
电子限位-
机械限位-
零位开关
驱动器
行走电机驱动器inagv伺服驱动器 PLD2L-CAN7060B
行走电机驱动器通讯线PL-COM-1.0
转向电机驱动器inagv伺服驱动器 PLD2L-CAN7010B
转向电机驱动器通讯线PL-COM-1.0
驱动器调试线PL-PC-1.0
其他
产品减震机构-
产品耐温范围耐低温-20℃
产品防爆-
安全编码器-
工作制S2
单舵轮额定垂直负载1500kg
单舵轮最大牵引重量4000kg
双舵轮最大牵引重量6400kg
舵轮安装尺寸如图

A2标准伺服款总成图

          

凤凰动力250

其他品牌230

立式舵轮PV250DS系列,是凤凰动力推出的一款高性能产品,适用于AGV、电动堆高车/堆垛车、电动托盘车、电动平衡重叉车、电动前移式叉车、电动窄巷道叉车、电动牵引车等装载3000kg以内的各种车型,对比市场上同款230产品,具有功率更大、扭矩更强 、速度更快 、承载更高、越障和爬坡能力更强、回转半径更小的优点,且更具成本优势。

功率更大

扭矩更强

速度更快

负载更高

越障能力更优秀

爬坡更轻松

回转半径更小

更具成本优势

A2弹簧减震伺服款配置   型号:PV250DS-A2-011-00

驱动单元
行走电机

inagv伺服电机 PVMN15216H3G4-L25

48V1570W5N.m3000rpm

行走电机IP等级IP64
行走电机自出线长动力2m/制动2m/编码器2m(可配置任意线长)
行走电机动力延长线-
行走电机制动器 内置24V12N.m14.4W
行走电机制动器延长线-
行走电机编码器内置增量式2500线
行走电机编码器延长线-
包胶轮聚氨酯254*75mm
驱动轮额定速度112.33m/min
驱动轮速比i=21.3
转向单元
转向电机

inagv伺服电机 PVML06002H3H3-M17

48V200W0.64N.m3000rpm

转向电机IP等级IP65,轴端IP54
转向电机自出线长动力0.5m/编码器0.5m
转向电机动力延长线PL-MOT-200-*
转向电机编码器内置多圈绝对值17bit
转向电机编码器延长线PL-ENC-*
最大转向速度90°/sec
转向减速机速比i=25
转向机构速比i=8
电子限位-
机械限位-
零位开关
驱动器
行走电机驱动器inagv伺服驱动器 PLD2L-CAN7040B
行走电机驱动器通讯线PL-COM-1.0
转向电机驱动器inagv伺服驱动器 PLD2L-CAN7010B
转向电机驱动器通讯线PL-COM-1.0
驱动器调试线PL-PC-1.0
其他
产品减震机构
产品耐温范围耐低温-20℃
产品防爆-
安全编码器-
工作制S2
单舵轮额定垂直负载1500kg
单舵轮最大牵引重量2500kg
双舵轮最大牵引重量4000kg
舵轮安装尺寸如图

A2弹簧减震伺服款总成图

          

凤凰动力250

其他品牌230

立式舵轮PV250DS系列,是凤凰动力推出的一款高性能产品,适用于AGV、电动堆高车/堆垛车、电动托盘车、电动平衡重叉车、电动前移式叉车、电动窄巷道叉车、电动牵引车等装载3000kg以内的各种车型,对比市场上同款230产品,具有功率更大、扭矩更强 、速度更快 、承载更高、越障和爬坡能力更强、回转半径更小的优点,且更具成本优势。

功率更大

扭矩更强

速度更快

负载更高

越障能力更优秀

爬坡更轻松

回转半径更小

更具成本优势

A2弹簧减震交流款配置   型号:PV250DS-A2-007-00

驱动单元
行走电机

inagv交流电机 PCDM15015M9H-L48-S25

16V1500W5.5N.m2590rpm

行走电机IP等级IP44
行走电机自出线长-
行走电机动力延长线PM-MOT-1500-*
行走电机制动器 外置24VDC16N.m30W-20
行走电机制动器延长线PZ-BRA-*
行走电机编码器内置增量式48ppr
行走电机编码器延长线PM-EMC-*
包胶轮聚氨酯254*75mm
驱动轮额定速度96.98m/min
驱动轮速比 i=21.3
转向单元
转向电机

inagv减速电机 PYM0B-24X1H0270-V1L

24V200W0.6N.m3200rpm

转向电机IP等级 IP20
转向电机自出线长动力1.15m
转向电机动力延长线PM-MOT-200-*
转向电机编码器外置增量式256ppr
转向电机编码器延长线 PM-EMC-*
最大转向速度100.42°/sec
转向减速机速比i=23.9
转向机构速比i=8
电子限位-
机械限位-
零位开关
驱动器
行走电机驱动器inagv低压交流伺服驱动器 PID1F-CR72100B
行走电机驱动器通讯线-
转向电机驱动器inagv伺服驱动器 PAD2F-CR7230B
转向电机驱动器通讯线-
驱动器调试线-
其他
产品减震机构-
产品耐温范围耐低温-20℃
产品防爆-
安全编码器-
工作制S2
单舵轮额定垂直负载1500kg
单舵轮最大牵引重量2800kg
双舵轮最大牵引重量 4400kg
舵轮安装尺寸如图

A2弹簧减震交流款总成图

          

AGV/窄巷道叉车
AGV/平衡重叉车
AGV/堆高车
AGV/牵引车
AGV/搬运车
AGV/前移式叉车
应用场景
文件下载

文件下载

稳定可靠的电驱动专家

驱动器总成图 PLD2L-CAN(RS)7010B.pdf
776.79KB下載
驱动器模型图 PLD2L-CAN(RS)7010B.stp
6.49MB下載
驱动器总成图 PLD2L-CAN(RS)7040B.pdf
847.5KB下載
驱动器模型图 PLD2L-CAN(RS)7040B.stp
7.94MB下載
驱动器模型图 PI(A)D2F-CR7210B.stp
5.51MB下載
驱动器模型图 PI(A)D2F-CR7230B.stp
65.12MB下載
上一頁 1 2 下一頁
为什么选择我们
凤凰动力自2005年成立,为客户提供AGV、电动叉车、高空作业平台车、清洁设备洗地机以及各类电驱动移动设备的电驱动解决方案,成为全球知名的电驱动解决方案供应商之一。积累了十八年AGV驱动轮行业的丰富技术经验,并取得多项发明专利,拥有6000㎡专业制造工厂,在设计、生产、技术等方面拥有独特优势,同时建立了完整的、优秀的供应链体系,可为客户提供优质的电驱动轮OEM、ODM服务,目前已经和几家叉车龙头企业开展专属性合作,取得了良好的成绩。
发送Email给我们